Functionalized silicon quantum dots
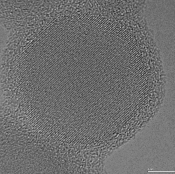
Silicon nano-particles with typical sizes in the range of 10 – 100 nm can be produced by a number of methods, for example by plasma deposition. Whereas production even on an industrial scale is now feasible, real applications of such silicon nano-particles have not yet emerged. A main problem in this respect is the uncontrolled oxidation of silicon quantum dots during preparation or storage, which interferes with many possible applications in electronics, chemistry, or biology. In close cooperation with Degussa GmbH, we investigate suitable ways to modify the surface termination of silicon quantum dots and the influence of such surface treatments on the electronic and optical properties of these nano- objects. A second important aspect of our work is the identification of novel ways to assemble silicon nano-dots into macroscopic structures with specific electronic and/or optical properties.

